

國內外政策對儲能系統絕緣監測的要求
(一)國內政策背景
近年來,中國在儲能領域密集出臺了一系列政策文件,旨在規范儲能系統的建設與運營,保障其安全、可靠運行。例如,國家能源局發布的《電化學儲能電站安全管理暫行辦法》明確要求儲能系統需要具備完善的絕緣監測功能,保障在絕緣性能下降時能夠及時發出警報并采取措施。
(二)國際政策趨勢
在國際層面,歐盟、美國等地區和國家也紛紛加強對儲能系統的安全管理。歐盟的《可再生能源指令》(RED II)和《儲能系統安全指南》強調了儲能系統絕緣監測的重要性,并要求相關設備需要通過嚴格的認證程序,符合國際電工委員會(IEC)標準。美國的《儲能系統安全規范》(NFPA 855)也對儲能系統的絕緣監測提出了明確要求,包括監測設備的性能指標、安裝規范以及與整體安全系統的聯動機制。
這些國內外政策的共同指向是:儲能系統需要配備可靠的絕緣監測設備,并保障其在全生命周期內的有效運行。這不僅是為了保障儲能系統的安全,更是為了推動整個儲能行業的健康發展。

絕緣監測在儲能系統中的作用
?保障系統安全穩定運行?:儲能系統長期運行在復雜環境中,絕緣性能易受影響。絕緣水平下降或者絕緣故障可能引發漏電、短路,威脅人員安全,損壞設備,甚至引發火災。絕緣監測可以發現電氣安全隱患,確保系統安全穩定運行?。
?提高能源轉換效率?:絕緣性能下降會增加線路損耗,降低儲能設備的充放電效率。通過實時監測并及時修復絕緣問題,可以保證系統處于良好工作狀態,提高能源轉換效率?。
?滿足運維管理需求?:絕緣監測提供實時數據,幫助運維人員了解系統絕緣狀況,制定合理的維護計劃,實現預防性維護,降低運維成本,提高運維效率?。

絕緣監測在儲能系統中的應用
?儲能電池組?:在充放電過程中,電池組的正負極與地之間的絕緣性能會變化。通過實時監測電池組的絕緣狀態,可以防止因絕緣故障導致電池損壞,確保儲能系統安全可靠運行?。

安科瑞絕緣監測儀產品介紹
安科瑞AIM-D100-TS 系列直流絕緣監測儀可以應用在 15~1500V 的直流系統中,用于在線監測直流不接地系統 正負極對地絕緣電阻,當絕緣電阻低于設定值時,發出預警或報警信號。
產品適用于儲能直流系統的絕緣監測而設計,也可以應用在發電廠家、變電站的直流屏、電動汽車充電裝置、UPS 供電系統、光伏直流系統及其它直流電網等直流系統。產品如下圖所示:

4.1功能特點
①電阻監測功能。產品可以監測直流系統正負極對地的絕緣電阻,當絕緣電阻低于設定的預警和報警值時, 能發出預警和報警信號。
②電壓監測功能。產品可以監測直流系統正負極之間的電壓,正負極對地電壓,測量范圍為 15~1500V。
③LED 指示功能。產品具有兩個 RGB Led 指示燈,通過不同顏色和頻率可以顯示產品狀態。
④撥碼設置功能。產品可以通過撥碼開關組合設置通訊波特率和通訊地址。
⑤繼電器輸出功能。產品具有 2 路繼電器輸出,可以選擇常開或者常閉模式。
⑥通訊組網功能。產品具有 1 路 RS485 接口,采用 Modbus-RTU 協議,可以進行數據交互。
⑦安裝方式可選。產品采用塑料外殼,兼容導軌和壁掛兩種安裝方式,默認導軌安裝。
⑧插拔端子。產品采用插拔端子接線,方便接線和安裝。
4.2技術指標


4.3外形和尺寸
AIM-D100-TS 系列直流絕緣監測儀采用塑料外殼,其外形尺寸如下圖所示。(單位:mm)

4.4產品接線
AIM-D100-TS 系列直流絕緣監測儀產品接線端子如下圖所示:

接線端子說明:
1、2 號端子:接入直流 24V 電源,推薦使用獨立電源;
3 號端子:接入現場接地排,兩個3號端子在儀表內部相連接,可任取一個端子接線;
11 號端子:接入直流系統正極,兩個11號端子在儀表內部相連接,可任取一個端子接線;
14 號端子:接入直流系統負極,兩個14號端子在儀表內部相連接,可任取一個端子接線;
21、22 號端子:儀表的 RS485 通訊端子。
40~43 號端子:儀表兩組繼電器輸出,40、41 號為 DO1 輸出, 42、43 號為 DO2 輸出,絕緣預警時,DO2 動作,絕緣報警時,DO1 和 DO2 動作。繼電器輸出可以設置常開或常閉模式,可以外接蜂鳴器或聲光報警器,繼電器為無源輸出,需要外加電源。
接線規格說明:
輔助電源、功能接地、直流系統正負極接線,可以選用 1.5mm2 的多芯銅線。RS485 通訊接線可以選用0.75~1.5mm2的屏蔽雙絞線。
接線示意:
AIM-D100-TS 系列直流絕緣監測儀監測直流系統時接線方式如下示意圖所示:

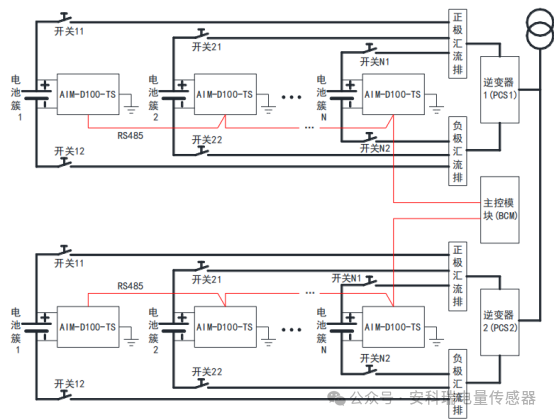
4.5絕緣在儲能系統中的應用示例
絕緣監測儀的裝設原則是同一個獨立系統使用一個絕緣監測儀,當使用多個絕緣監測儀時,會互相干擾,影響監測。絕緣監測儀可以應用在儲能系統中,用于監測單個電池簇的絕緣情況,也可以監測整體的絕緣情況。在儲能系統中采用主控模塊來控制各個絕緣監測儀的工作狀態,采用分時控制策略,保證同一時間內只有一只絕緣監測儀處于工作狀態,各個絕緣監測儀之間不會相互干擾,同時保證儲能系統時刻都能進行絕緣監測,保障系統的安全性、穩定性和可靠性。
下圖為 AIM-D100-TS 直流絕緣監測儀在儲能系統中的應用示例。
