熱門搜索:電氣設備,電子元器件,儀器儀表,電氣設備,消防設備,照明設備

1
產品概述
ATE800系列RFID無線測溫裝置可用于中壓開關柜內母排搭接點,斷路器觸頭,電纜接頭等金屬部位的溫度監測,具有隔離、安裝方便、抗干擾能力強、工作可靠的特點。ATE800 系列產品組成:接收器,天線,傳感器。ATC800 接收器通過天線向ATE800無線測溫傳感器發射RFID射頻信號,傳感器接收到射頻能量之后,激活電路,開始進行溫度數據采集,并將數據通過無線信號回傳至天線;天線通過射頻電纜將數據傳輸至接收器,最終可由接收器將數據上傳到遠程監控系統。


2
測溫方案
RFID測溫方案



3
產品構成



4
測溫原理
RFID的全稱是Radio Frequency ldentification,即射頻識別,是一種利用無線電波進行數據交換的自動識別技術。
RFID測溫技術是RFID無線識別技術與溫度傳感技術相結合的創新應用,核心功能是通過接收器讀取安裝在待測溫部位的RFID傳感器的溫度數據,實現對測溫接點的溫度測量功能。
主要過程為接收器通過天線發射特定的電磁波信號,當無源測溫傳感器在RFID接收器的射頻場內時,傳感器內部天線接收到電磁波并將電磁波轉換為傳感器內部溫度傳感器、MCU、射頻芯片所需的工作電壓,內部溫度傳感器開始溫度采集。然后傳感器將溫度數據和傳感器標識碼(ID號)打包成數據幀,通過傳感器天線以射頻信號的形式給接收器,接收器接收到傳感器反饋的射頻信號后,將其解調、解碼為數字信號,提取出傳感器識別碼和溫度數據。


5
應用場景
10kV開關柜測溫

35kV開關柜測溫



6
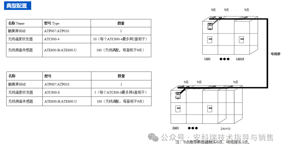
典型配置



7
產品特性



8
配置方案
