
根據《光伏發電站接入電力系統的技術規定》 GB/T 19964的相關要求,光伏發電站應配置獨立的防孤島保護裝置,動作時間應不大2s。防孤島保護還應與電網側線路保護相配合。
1
什么是孤島效應?

在電網因故障或停電時,分布式發電系統(如光伏發電、小型風力發電等)未能及時檢測到停電狀態并脫離電網,導致該分布式發電系統和周圍的負載形成一個自給供電的孤島系統,這個系統與公共電網斷開,成為一個獨立的供電單元?。
2
孤島效應的產生原因

?電網故障?:電網中的線路、變壓器等設備發生故障,導致電網跳閘停電。例如,線路短路、接地故障等可能引起保護裝置動作,切斷電網供電?。
?計劃檢修或維護?:電網進行計劃檢修或維護時也會停電。如果分布式發電系統未能及時檢測到停電信號,就可能形成孤島?。
?分布式電源控制不當?:分布式發電系統的控制設備故障或設置不合理,無法正確檢測電網狀態。例如,逆變器的孤島檢測功能失效,導致在電網停電時無法及時切斷與電網的連接?。
3
孤島效應的危害

?對電網檢修人員的安全威脅?:當電網停電后,若分布式發電系統繼續向孤島內的線路供電,電網檢修人員可能誤認為線路已斷電而進行檢修操作,從而面臨觸電的危險。
?電能質量問題?:孤島內的分布式電源可能無法穩定地提供高質量的電能。由于輸出功率較小且不穩定,電壓和頻率可能會出現波動,影響負載的正常運行?。
?設備損壞?:孤島系統重新與電網連接時,可能會產生較大的沖擊電流,對分布式發電設備和電網設備造成損壞。
4
如何實現防孤島效應的保護?

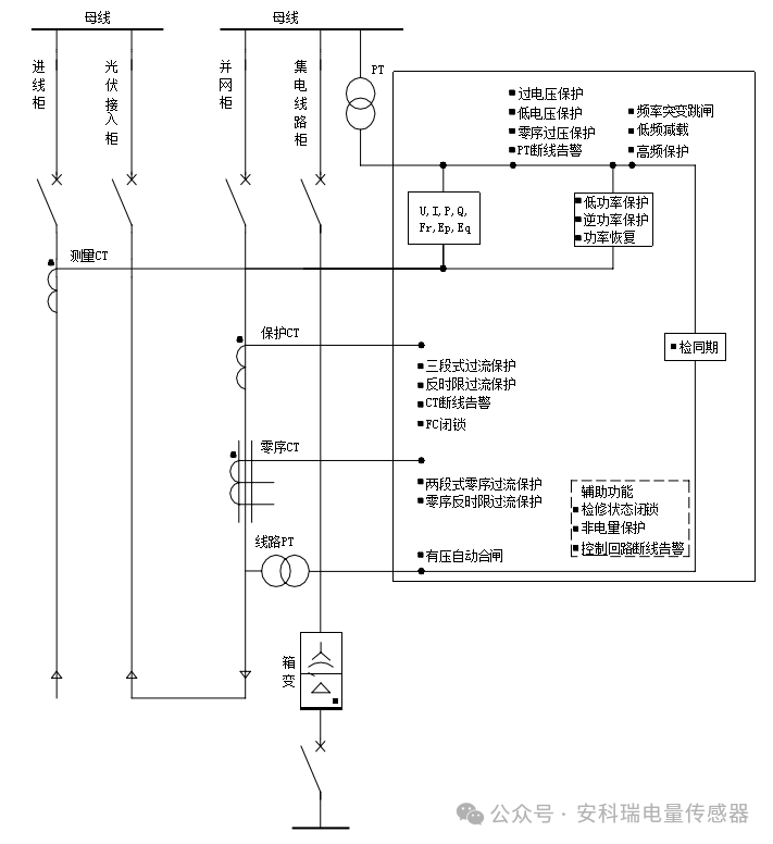
防孤島效應的關鍵點在于電網斷電的檢測,要求加設“防孤島保護"裝置,該裝置主要實現防孤島保護的二次保護以確保安全、可靠。

我司自主研發的AM5SE-IS防孤島保護裝置,在并網線路安裝,當發生孤島現象時,能夠快速切除分布式孤島電源,從而有效降低孤島運行帶來的危害。

4.1 AM5SE-IS防孤島保護裝置的應用場景
光伏發電系統:在光伏發電系統中,防孤島裝置是保護設備,能夠有效防止電網斷電時光伏系統繼續向電網供電,避免形成孤島效應。
風力發電系統:在風力發電系統中,防孤島裝置同樣起到關鍵作用,確保在電網故障時風力發電系統能夠及時與電網斷開,保障電網安全。
微電網系統:在微電網系統中,防孤島裝置能夠確保在主電網斷電時,微電網系統能夠安全、可靠地運行,避免對主電網造成影響。
4.2 ?AM5SE-IS防孤島保護裝置性能特點
?高精度的測量功能?:能夠準確測量三相電流、兩路零序電流、三相電壓、零序電壓、有功功率、無功功率、功率因數、頻率、有功電能、無功電能等電參量?。
?強大的通訊功能?:裝置配備了2路RS485串行通訊接口和2路以太網接口,支持Modbus-RTU、IEC60870-5-103等協議,便于遠程監控和數據交換?。
?高可靠性和穩定性?:采用硬件設計和軟件算法,具有抗干擾性能強、可靠性高、運行穩定等優點?。
?靈活的配置和擴展性?:裝置支持多種保護功能配置,適用于不同的應用場景,并且可以通過軟件升級來擴展新的功能?。