
在現代工業生產中,電力供應的穩定性直接關系到生產效率、設備安全以及企業的經濟效益。然而,電力系統中的“晃電"現象(如電壓暫降、短時中斷等)常常導致設備停機、生產中斷,甚至造成巨大的經濟損失。為了解決這一問題,抗晃電解決方案應運而生,成為企業電力穩定的重要保障。


“晃電"是指電力系統中因短路、雷擊、設備故障等原因導致的電壓暫降、短時中斷或頻率波動。這種現象雖然持續時間短,但對敏感設備(如PLC、變頻器、精密儀器等)的影響卻非常顯著,可能導致設備停機、數據丟失或生產中斷。
晃電的原因:短路故障;絕緣閃絡;大功率電機啟動;雷擊浪涌;備自投或快切裝置切換








交流接觸器作為電動機回路重要的控制元件,在工業生產中承擔了重要的作用。雷擊、短路重合閘、電網故障、大功率設備啟動等原因引起的電壓跌落(晃電)現象嚴重影響接觸器的正常工作,并引起相關聯鎖設備停機,給企業造成巨大的經濟損失。
安科瑞 ARD-KHD-S03 系列抗晃電裝置,具備 “晃電保持+晃電再起動"功能,能夠抵御接觸器控制回路晃電引起的接觸器釋放(不包括直流接觸器或帶節能功能的接觸器),也可以針對變頻、軟起回路實現再啟動,保障設備的連續性運行,為企業高效生產保駕護航。




動作邏輯

馬達保護器帶抗晃電功能


晃電的原因:短路故障;絕緣閃絡;大功率電機啟動;雷擊浪涌;備自投或快切裝置切換





軟啟動器在工業現場多用于45kW以上的大功率電機,具備軟啟動、軟停車和各類保護功能。其作用是實現在整個啟動過程無沖擊而平滑的起動電機,防止起動階段出現大電流,保障大功率電機的正常起停和使用壽命相比變頻器,軟啟動器本質上是一個調壓器,無法調頻調速,變頻器幾乎具備軟起動器的所有功能,因此適用于變頻器晃電再啟動的ARD-KHD-S03F同樣適用于軟啟動器的晃電再啟動。
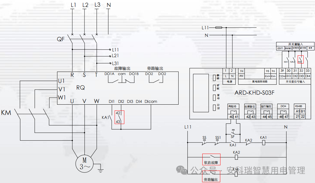
軟啟回路




該項目針對低壓配電室中139個電機回路配置ARD2F智能電動機保護器和ARD-KHD- S03A型抗晃電裝置,其中抗晃電裝置52臺。經模擬晃電測試,抗晃電裝置均能實現晃電保持或再啟動,功能符合業主預期,投入使用至今各項功能正常,無
售后問題反饋。

抗晃電解決方案是企業電力穩定的重要保障,能夠有效應對電力波動帶來的挑戰,確保生產連續性和設備安全。通過合理選擇和應用抗晃電技術和產品,企業可以在激烈的市場競爭中占據先機,實現可持續發展。電力波動不再成為困擾,抗晃電解決方案為企業的電力穩定保駕護航!